StepperII
Dual Axis Stepper Controller

Controller Architecture

This section describes the hardware and firmware architecture of the dual-axis stepper motor controller.

boardArch1.jpg

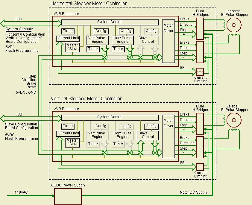
Controller Architecture

The dual-axis controller has two identical motor controller boards inter-connected with a 10-conductor ribbon cable. The 10-conductor board interconnect is a simple step/direction interface that is routed directly to the vertical axis motor driver. Power for the logic portion of the controller boards is supplied from the USB connection. Power for the stepper motors is supplied by an internal DC power supply. Each controller board is running identical firmware, each has a USB virtual serial port, and each drives a stepper motor via dual H-bridges. The controller front panel indicates that one board is associated with the vertical axis, and the other is associated with the horizontal axis. The primary USB interface is on the horizontal axis board and is labeled "Console" on the front panel. The primary USB interface handles the majority of the configuration settings, and all of the motion control commands for both axes. The board inter-connect interface is not capable of transfering digital data, so some non-volatile configuration settings must be set using the vertical board USB connection.

 All Classes Files Functions Variables Defines